• ·中國專用汽車之都--湖北·隨州
    · 全國銷售電話:400-168-2688

聯系我們
  • 銷售一部:王經理
  • 銷售電話:18672222488
  • 銷售二部:劉經理
  • 銷售電話:13451281322
  • 銷售三部:王經理
  • 銷售電話:13872882215
  • 固定電話:0722-7029866
  • 固話傳真:0722-3220988
  • 微信公眾號:wxq18672222488
  • 在線咨詢:18672222488   
  • 企業郵箱:clqcdy@163.com

湖北程力環衛吸糞吸污車使用說明書(吸污車如何操作和注意事項)

作者:程力汽車 來源:未知 日期:2019/3/2 14:07:10 人氣: 標簽:
導讀:湖北程力環衛吸糞吸污車在高度真空狀態下進行吸泥、污水吸入作業,特別要注意其操作。吸污車是由汽車底盤、取力器、傳動軸、真空吸污泵、壓力罐體、液壓部分,管…
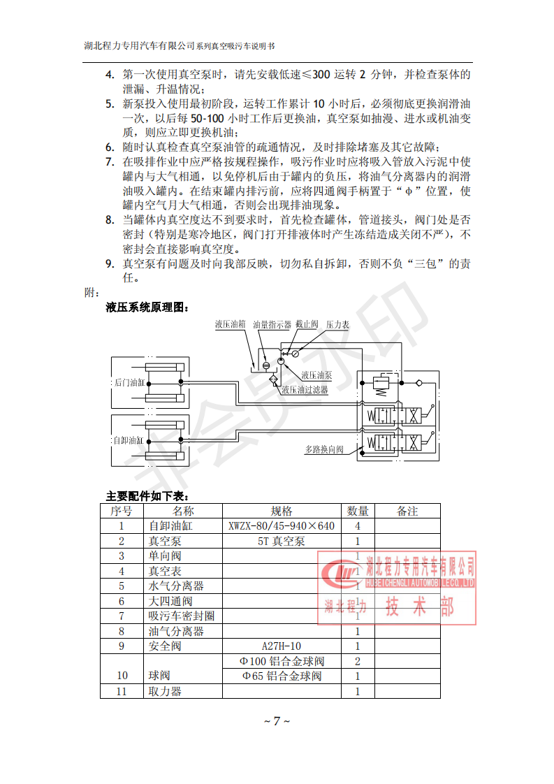
湖北程力環衛吸糞吸污車在高度真空狀態下進行吸泥、污水吸入作業,特別要注意其操作。 吸污車是由汽車底盤、取力器、傳動軸、真空吸污泵、壓力罐體、液壓部分,管網系統、真空壓力表、視糞窗、洗手裝置等組成,隨車配置大功率真空吸污泵和優質液壓系統,罐體封頭一次壓制成型、罐體可后開、雙頂自卸。具有真空度高、噸位大、效率高、用途更廣泛的特點,可廣泛適用于收集城市雨水井、檢查井及各種溝渠內的污泥、污水或石油化工污水池淤積物的抽吸、裝運和排卸。罐內污物可通過后蓋直接傾倒,應用于大、中、小城鎮環衛、市政、農業、化工、廠礦企業、物業小區等部門。 下面是吸污車如何操作和注意事項:

熱銷產品:清障車,東風多利卡清障車多利卡一拖二清障車,一拖二清障車道路清障車,平板運輸車,混凝土攪拌車,隨車吊,垃圾車,油罐車,灑水車

版權所有:程力專用汽車股份有限公司
歡迎來到湖北程力汽車官方網站,程力專用汽車股份有限公司專業生產環衛垃圾車,掃路車,平板運輸車,混凝土攪拌車,隨車吊,清障車,冷藏車,廣告宣傳車等300多種產品。程力專用汽車股份有限公司歡迎廣大新老客戶來廠參觀和訂車。
銷售一部:王經理(18672222488)   劉經理(13451281322) 王經理(13872882215)辦公電話:0722-7029866.   固話傳真:0722-3220988   企業郵箱:clqcdy@163.com
地址:湖北省隨州市南郊平原崗程力汽車工業園   鄂ICP備18018513號-112  網絡經濟主體信息

鄂公網安備 42130202001184號